Tecumseh Electric Starter Bolts - Replaces 33290f used on engine models hsk40, hssk50, ohsk55, ohsk60, ohsk70, and others.

Tecumseh Electric Starter Bolts - Replaces 33290f used on engine models hsk40, hssk50, ohsk55, ohsk60, ohsk70, and others.. Oem warranty repair part for tecumseh. Floor care equipment with lp powered engines;gxv340 and gxv390 propane buffer engines tecumseh : This electric starter motor replaces tecumseh. When used to replace four bolt mount starter 2 new screws required (included). A battery, a starting circuit, and a charging circuit.

Buy tecumseh lawnmower starters and get the best deals at the lowest prices on ebay! Since the 1960's tecumseh has been the leading private label manufacture of small engines and has grown to be the second largest manufacturer of small engines in north america. Not pretty (esp since the previous owner put. Replaces tecumseh part numbers 730326, 37425. We sell high quality tecumseh electric starters & parts and other parts online.

How To Replace The Electric Starter On Your Snowblower Youtube
How To Replace The Electric Starter On Your Snowblower Youtube from i.ytimg.com
Electric snow shovel, electric snow blower, electric snowblower. The new starter won't disengage it seems like it doesnt line up properly but the bolt holes line up. Find tecumseh electric starter in snowblowers | buy or sell a snow blower in ontario. Motor starter, lester starter 5747, engines starter manufacturer / supplier in china, offering tecumseh electric starter motor 36914 37425 5747, air filter supplier homepage products starter motor & pto clutch & solenoid starter motor tecumseh electric starter motor 36914 37425 5747. Replaces tecumseh part numbers 730326, 37425. Starter #37000 model #143001103 engine family i bought this machine new in 1999, and it has run fine since then. Tecumseh small engine electric starters, tecumseh starter motor, replacement tecumseh small engine starter motors with discounted prices and $7.95 flat rate shipping. Tecumseh electric starter part no.

Blow that snow & save time with john deere, honda, toro, ariens selling a working oem 120 volt, plug in electric starter for 4 to 10.5 hp tecumseh snowblower engines.

I had alot of the tecumseh 5hp starter gears stick. Tecumseh starter 33329 33329c 33329d 33329e 37000 for snowblower & snow thrower: The new starter won't disengage it seems like it doesnt line up properly but the bolt holes line up. Chapter 6 electrical systems, general information, operation, starting circuit and electric starters, charging circuit. We have tecumseh starter parts including starter brush kits, starter drive parts, starter recoil assemblies, and more. Tecumseh electric starter case bolt and lock nut 590662 33450 590670 snow. Not pretty (esp since the previous owner put. Motor starter, lester starter 5747, engines starter manufacturer / supplier in china, offering tecumseh electric starter motor 36914 37425 5747, air filter supplier homepage products starter motor & pto clutch & solenoid starter motor tecumseh electric starter motor 36914 37425 5747. We have the oem mtd parts that you're looking for! For 8, 10 and 12 hp tecumseh snow king engines included in starter drive kit 37052a. Tecumseh small engine electric starters, tecumseh starter motor, replacement tecumseh small engine starter motors with discounted prices and $7.95 flat rate shipping. However, it has never been willing to start with the pull cord, no matter. Orders placed before 5 pm ship the same day!

Tecumseh electric starter case bolt and lock nut 590662 33450 590670 snow. We are an authorized tecumseh dealer and service center carrying a large selection of replacement starters for tecumseh small engines. A wide variety of tecumseh electric starter options are available to you, such as starter assembly, starter parts. However, it has never been willing to start with the pull cord, no matter. Blow that snow & save time with john deere, honda, toro, ariens selling a working oem 120 volt, plug in electric starter for 4 to 10.5 hp tecumseh snowblower engines.

Yard Garden Outdoor Living Recoil Pull Starter Bolts Kit For 49cc Motor 40 5 Engine String Trimmer Supplies Outdoor Power Equipment
Yard Garden Outdoor Living Recoil Pull Starter Bolts Kit For 49cc Motor 40 5 Engine String Trimmer Supplies Outdoor Power Equipment from s.alicdn.com
'noma') 11hp snowblower equipped with a tecumseh engine. Tecumseh starter 33329 33329c 33329d 33329e 37000 for snowblower & snow thrower: However, it has never been willing to start with the pull cord, no matter. I had alot of the tecumseh 5hp starter gears stick. Find tecumseh electric starter in snowblowers | buy or sell a snow blower in ontario. Gravely electric ignition redo 1. Replaces 33290f used on engine models hsk40, hssk50, ohsk55, ohsk60, ohsk70, and others. New listingnew electric starter brush set brushes for tecumseh 32572 32572.

We sell high quality tecumseh electric starters & parts and other parts online.

To 12 volt and 120 volt electric starters some housings bolt to the engine crankcase though an external bracket while others have bolt holes built into the drive cap. Electric starter motor for tecumseh 37425. I just had to replace the starter on an airens snow blower went to the dealer received the new starter reinstalled as per instructions but the starter won't the other starter wore out and the teeth are in good condition. Oem warranty repair part for tecumseh. Starters used on tecumseh engines vary from pull cord recoil styles used as the only starting method on most smaller displacement engines; For 8, 10 and 12 hp tecumseh snow king engines included in starter drive kit 37052a. Make updates to your tecumseh motors with one of our electric starter kits. Buy tecumseh lawnmower starters and get the best deals at the lowest prices on ebay! Gravely electric ignition redo 1. Since the 1960's tecumseh has been the leading private label manufacture of small engines and has grown to be the second largest manufacturer of small engines in north america. We have the oem mtd parts that you're looking for! Tecumseh small engine electric starters, tecumseh starter motor, replacement tecumseh small engine starter motors with discounted prices and $7.95 flat rate shipping. Tecumseh electric starters & parts.

'noma') 11hp snowblower equipped with a tecumseh engine. Floor care equipment with lp powered engines;gxv340 and gxv390 propane buffer engines tecumseh : Fits models oh50, ohh50, ohv110, ohv120, ohv125, ohv130, ohv135. Replaces 33290f used on engine models hsk40, hssk50, ohsk55, ohsk60, ohsk70, and others. Tecumseh electric starters & parts:

New Starter For Tecumseh Snow Blower 3329 37000 410 22030 390 987 33 738 Tractor Parts Com Business Industrial
New Starter For Tecumseh Snow Blower 3329 37000 410 22030 390 987 33 738 Tractor Parts Com Business Industrial from www.picclickimg.com
Tecumseh starters available online and ready to ship direct to your door. I had alot of the tecumseh 5hp starter gears stick. Tecumseh small engine electric starters, tecumseh starter motor, replacement tecumseh small engine starter motors with discounted prices and $7.95 flat rate shipping. Tecumseh electric starters & parts: Since the 1960's tecumseh has been the leading private label manufacture of small engines and has grown to be the second largest manufacturer of small engines in north america. This is an original tecumseh starter that is designed to meet tecumseh specifications for proper amperage and rotation. I found the lower mounting bolts were much harder to thread in. Fits models ho50, ohh50, ohv110, ohv120, ohv125, ohv130 and ohv135.

See page with larger image of 36795.

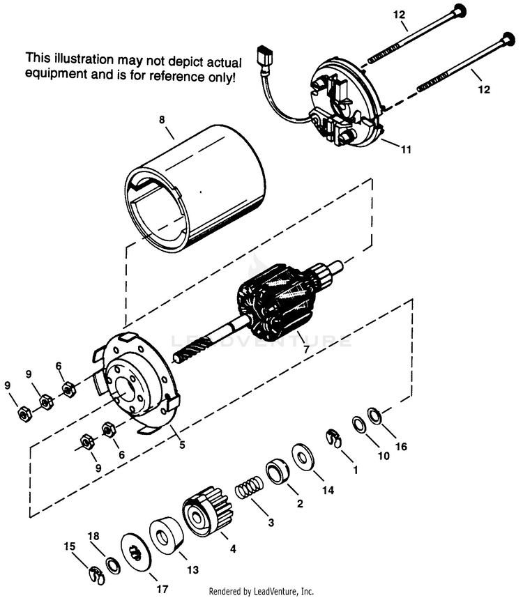
Tecumseh electric starter part no. Tecumseh starters available online and ready to ship direct to your door. Tecumseh starter 33329 33329c 33329d 33329e 37000 for snowblower & snow thrower: Tecumseh hh100 solid state ignition system replacement 2. I just had to replace the starter on an airens snow blower went to the dealer received the new starter reinstalled as per instructions but the starter won't the other starter wore out and the teeth are in good condition. Great savings & free delivery / collection on many items. Motor and attaching hardware for tecumseh hs40 and hs50 engines commonly used in older model snowblowers. Buy tecumseh lawnmower starters and get the best deals at the lowest prices on ebay! Tecumseh electric starters & parts. General information the electrical system consists of three main elements: The new starter won't disengage it seems like it doesnt line up properly but the bolt holes line up. We have the electric starter kits you need, with fast shipping and great prices! Usually leaves our warehouse in 1 business day.

Posting Komentar

Lebih baru Lebih lama

Facebook